拔放工具
新聞中心
- 
              概述
- 
              訂貨信息
- 
              資料庫
- 
              相關產品
產品簡介:
WHA3000P多功能熱風拆焊臺專為QFP、BGA、CSP等表面貼裝元器件從PCB板上進行焊接,拆焊的熱風維修臺。即使是無鉛焊接、多層板等需要大熱量才能完成焊接、拆焊工作的工作條件,也能順利完成。尤其是通過熱風維修臺及大面積、大功率的紅外線預熱板組合,可以模擬元器件的回流曲線圖,在對PCB板及元器件不損傷的情況下,順利完成焊接和拆焊工作。等同于一個簡單的BGA返修臺。

產品優勢:
? LCD顯示,更方便的設置及監測各參數。
? 閑置功能,可以預預熱風嘴及元器件,提高工作效率。
? 特制噴嘴更換工具,可以更換熱風頭。
? 內置真空吸筆,拆焊結束后可自動提取元器件。
? 熱風槍內置金屬柵欄,熱風不含電荷。
? 內置渦輪泵,不需外接氣源。
? 可以外接預熱板,并可通過PC控制。
? 本機可存儲10組溫度時間曲線圖。
? 可外接溫度傳感器,實現半閉環控制,避免損壞敏感元器件。
? 通過與WHP3000組合,可以按3段溫度時間曲線圖工作。
? 兩種操作模式:自動或手動操作。并沒有自動教學模式,輕松設置元器件3段溫度時間曲線圖。
? ESD防護
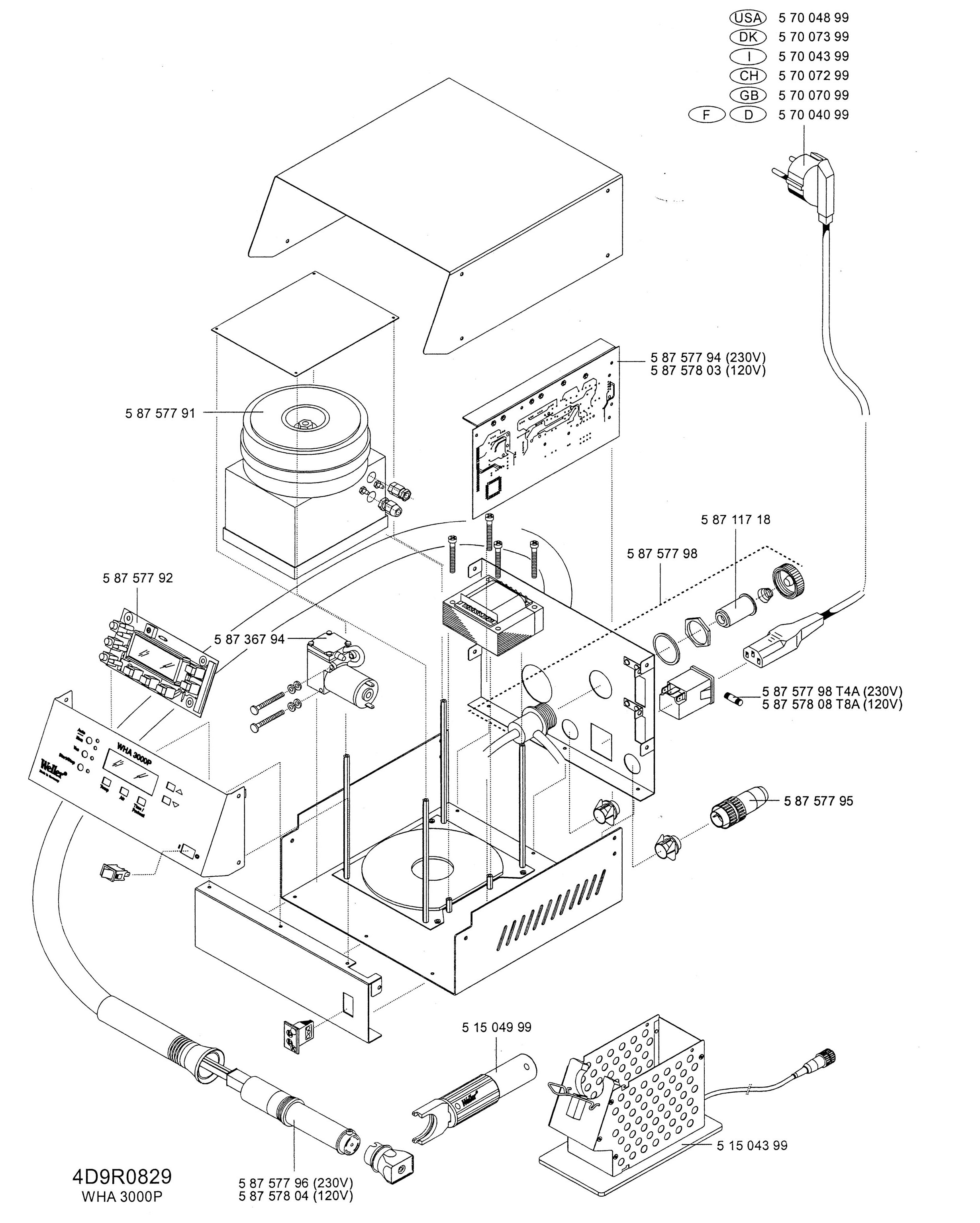
產品分解圖:

- 上一篇:WHA900經濟型熱風焊臺
- 下一篇:WTHA1熱風拔放臺900W














 QQ客服
QQ客服